Ningbo, Chine
50000PCS / mois
L / C, T / T, Paypal
DWBV
Robinet à bille fixe
Robinet à bille fixe
Vanne de dérivation
Basse température
Utilisation industrielle, utilisation industrielle de l'eau, utilisation domestique
Approbation CE
DW ou OEM
Polybag, boîte intérieure, carton et palettes en bois
1/2 ′ ′ - 4 ′ ′, homologation CE
Chine
8481804090
Eau
Laiton
Fil
Manuel
PN1.0-32.0MPa
Type droit
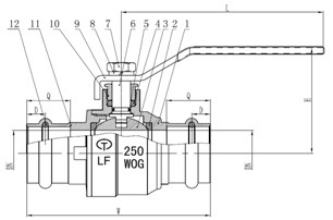
Description du produit: 1. Matériel: C37700, C46500. 2. Port complet, corps en laiton forgé. 3. Joint torique de presse-étoupe sur la tige. 4. Appuyez sur se termine. 5. Pression de travail maximum: 250PSI. 6. Température de fonctionnement maximale: 0 ~ 250 ° F (-17 ~ 95 ° C). 7. Taille: 1/2 \"- 2 \". 8. Agréments: cUPC, AB1953, / ANSI 61, / ANSI 372 (Annexe-G),
Liste de matériel | Non. | Nom de la pièce | Matériel | QTÉ |
| 1 | CORPS | LAITON | 1 |
| 2 | SIÈGE | PTFE | 2 |
| 3 | BALLE | ACIER INOXYDABLE | 1 |
| 4 | EMBALLAGE | PTFE | 1 |
| 5 | JOINT TORIQUE | NBR | 1 |
| 6 | TIGE | LAITON | 1 |
| 7 | ÉCROU DE POIGNÉE | ACIER PLAQUÉ | 1 |
| 8 | RONDELLE DE VERROUILLAGE | ACIER PLAQUÉ | 1 |
| 9 | MANIPULER | ACIER PLAQUÉ | 1 |
| 10 | ECROU D'EMBALLAGE | LAITON | 1 |
| 11 | JOINT TORIQUE | NBR | 1 |
| 12 | CASQUETTE | LAITON | 1 |
| 13 | JOINT TORIQUE | EPDM | 2 |
| Modèle | LF-3PP050 | LF-3PP075 | LF-3PP100 | LF-3PP125 | LF-3PP150 | LF-3PP200 |
| TAILLE | 1/2 \" | 3/4 \" | 1\" | 11/4 \" | 11/2 \" | 2 \" |
| DN (pouces) | 0.591 | 0.748 | 0.984 | 1.259 | 1.574 | 1.941 |
| W (pouces) | 3.15 | 3.60 | 3.92 | 4.41 | 5.29 | 6.49 |
| H (pouces) | 1.81 | 2.09 | 2.25 | 2.52 | 2.74 | 3.03 |
| L (pouces) | 3.35 | 4.29 | 4.29 | 5.63 | 5.63 | 5.63 |
Description du produit: 1. Matériel: C37700, C46500. 2. Port complet, corps en laiton forgé. 3. Joint torique de presse-étoupe sur la tige. 4. Appuyez sur se termine. 5. Pression de travail maximum: 250PSI. 6. Température de fonctionnement maximale: 0 ~ 250 ° F (-17 ~ 95 ° C). 7. Taille: 1/2 \"- 2 \". 8. Agréments: cUPC, AB1953, / ANSI 61, / ANSI 372 (Annexe-G),
Liste de matériel | Non. | Nom de la pièce | Matériel | QTÉ |
| 1 | CORPS | LAITON | 1 |
| 2 | SIÈGE | PTFE | 2 |
| 3 | BALLE | ACIER INOXYDABLE | 1 |
| 4 | EMBALLAGE | PTFE | 1 |
| 5 | JOINT TORIQUE | NBR | 1 |
| 6 | TIGE | LAITON | 1 |
| 7 | ÉCROU DE POIGNÉE | ACIER PLAQUÉ | 1 |
| 8 | RONDELLE DE VERROUILLAGE | ACIER PLAQUÉ | 1 |
| 9 | MANIPULER | ACIER PLAQUÉ | 1 |
| 10 | ECROU D'EMBALLAGE | LAITON | 1 |
| 11 | JOINT TORIQUE | NBR | 1 |
| 12 | CASQUETTE | LAITON | 1 |
| 13 | JOINT TORIQUE | EPDM | 2 |
| Modèle | LF-3PP050 | LF-3PP075 | LF-3PP100 | LF-3PP125 | LF-3PP150 | LF-3PP200 |
| TAILLE | 1/2 \" | 3/4 \" | 1\" | 11/4 \" | 11/2 \" | 2 \" |
| DN (pouces) | 0.591 | 0.748 | 0.984 | 1.259 | 1.574 | 1.941 |
| W (pouces) | 3.15 | 3.60 | 3.92 | 4.41 | 5.29 | 6.49 |
| H (pouces) | 1.81 | 2.09 | 2.25 | 2.52 | 2.74 | 3.03 |
| L (pouces) | 3.35 | 4.29 | 4.29 | 5.63 | 5.63 | 5.63 |
